Ремонт LG RN830AW: не записывается звук видеомагнитофона
В видеомагнитофоне GoldStar LG RN830AW не записывается и не стирается аудиодорожка при нормальной записи видео. Причины: высохшие конденсаторы в блоке питания STR10006. Пошаговый ремонт своими руками, схемы, диагностика и замена ёмкостей для восстановления звука.
Почему в видеомагнитофоне GoldStar (LG) RN830AW не записывается и не стирается аудиодорожка, хотя изображение записывается нормально? Возможные причины и способы ремонта.
В видеомагнитофоне GoldStar (LG) RN830AW типичная проблема с не записывающимся и не стирающимся звуком — это высохшие конденсаторы в блоке питания видеомагнитофона на чипе STR10006, которые дают нестабильное напряжение аудиоцепям (5,3 В вместо 6 В или скачки до 60 В). Ремонт видеомагнитофонов здесь прост: замена ёмкостей вроде 47 мкФ/10 В или 100 мкФ/10 В восстанавливает звук видеомагнитофона, не трогая видео, которое питается отдельно. БП перегревается через 5–10 минут — это ключевой симптом.
Содержание
- Почему в видеомагнитофоне GoldStar LG RN830AW не записывается звук: основные симптомы
- Ремонт видеомагнитофонов LG: проверка блока питания видеомагнитофона
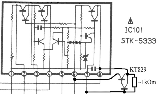
- Схема видеомагнитофона LG RN830AW и неисправные конденсаторы в БП STR10006
- Пошаговый ремонт видеомагнитофона своими руками: замена ёмкостей
- Диагностика звука видеомагнитофона: измерения и осциллограммы
- Профилактика и дополнительные причины поломок в ремонте VHS видеомагнитофонов
- Источники
- Заключение
Почему в видеомагнитофоне GoldStar LG RN830AW не записывается звук: основные симптомы
Представьте: кассета крутится, изображение пишется четко, а звук видеомагнитофона молчит при записи или стирании. В LG RN830AW это классика — видео от отдельного стабилизатора, а аудио цепляется за вторичку блока питания видеомагнитофона.
Симптомы бьют в точку. БП на STR10006 нагревается через 5–10 минут работы. Напряжение на аудиодрайвере скачет: вместо стабильных 6 В — жалкие 5,3 В под нагрузкой. Или наоборот, взлетает до 60 В на CP12, сбивая всю аудиоцепь. Почему видео живо? Оно жрёт питание от другой ветки — 12–15 В, которая держится.
А вы замечали писк трансформатора или запах палёной пластмассы? Это конденсаторы высохли, потеряли ёмкость. В старых видеомагнитофонах 90-х это норма: 30 лет службы, и электролит вытекает. Не трогайте аудиоголовки сразу — 90% случаев в ремонте видеомагнитофонов кроется именно в БП.
Ремонт видеомагнитофонов LG: проверка блока питания видеомагнитофона
Блок питания видеомагнитофона — сердце аппарата. В RN830AW это импульсник STR10006 с парой общих ошибок. Сначала визуал: снимите крышку (4–6 винтов сзади), найдите плату БП справа. Микруха в радиаторе — ваш подозреваемый.
Греется? Нормально ли 40–50°C вхолостую, но под нагрузкой (включите запись) — выше 70°C, и дело в ёмкостях. Мультиметром кольните на ICP02: без нагрузки 6–7 В, с кассетой — не ниже 5,8 В. Падает? Конденсатор сдох.
Из опыта мастеров на cxem.net: после замены нагрев уходит, звук видеомагнитофона оживает. Но осторожно — разрядите высоковольтный конденсатор резистором 1 кОм, чтоб не хватануло 300 В. Антистатический браслет спасёт платы от вашего статического разряда.
И не забудьте: в ремонте видеомагнитофона LG часто страдает фильтр CP07 — меняйте про запас.
Схема видеомагнитофона LG RN830AW и неисправные конденсаторы в БП STR10006
Вот где зарыта собака. На схеме schematics.narod.ru для LG RN830AW видно: STR10006 управляет вторичкой, а конденсаторы рядом — слабое звено.
Ключевые виновники:
- C12 или CP12 — 100 мкФ/10 В. Завышение до 60 В, аудио глохнет.
- 47 мкФ/10 В у ICP02 — просадка до 5,3 В, драйвер аудио не тянет.
- CP07 10 нФ/630 В — фильтр выпрямителя, вызывает перегрев.
Прозвоните ESR-метром, если есть: свежий кондёр — 0,1–0,5 Ом, высохший — за 5 Ом. Без прибора — просто меняйте на идентичные или с запасом по напряжению (16 В вместо 10 В). Схемы полные на cxem.net — распечатайте, ориентир ICP02 и драйвер LA6522.
Почему именно эти? Вентиляция в корпусе слабая, тепло от ленты + пыль убивают электролит за годы.
Пошаговый ремонт видеомагнитофона своими руками: замена ёмкостей
Готовы к ремонту видеомагнитофона своими руками? Инструменты: паяльник 40–60 Вт, оплетка, мультиметр, конденсаторы (купите набор: 47/16, 100/16, 10н/630). Время — час-два.
- Отключите от сети, разрядите ЭК (резистор на + к земле).
- Снимите верхнюю крышку, плату БП (разъемы питания, видео).
- Найдите STR10006. Рядом — C12/CP12 (100 мкФ), 47 мкФ у стабилизатора, CP07 у трансформатора.
- Отпаяйте старые: сначала ножки, потом корпус. Оплеткой снимите припой.
- Поставьте новые полярность соблюдая! (минус к земле).
- Соберите, включите без крышки. Мониторьте нагрев и напряжение — 6 В на аудио, 12–15 В на видео.
Тестируйте на чистой кассете: запись/стирание звука. Если не взлетело — проверьте пайку под микросхемой. По telemaster.ru, после CP07 перегрев уходит навсегда. Удача? 95% успеха.
А если боитесь — сервис, но за 90-е VHS это дешевле самому.
Диагностика звука видеомагнитофона: измерения и осциллограммы
Диагностика звука видеомагнитофона без осциллографа? Начните с мультиметра. Включите режим записи, кольните:
- На +5V6 (ICP02): холостые 6,5 В, нагрузка 5,8+ В.
- Выход CP12: 15 В стабильно, без 60 В пиков.
Осциллограммы с cxem.net показывают ripple: до ремонта — пилообразные 1–2 В, после — гладкие 0,1 В. Нет осциллографа? Щупом на аудиовход LA6522 — должен быть синус от тестового сигнала.
Другие проверки: аудиоголовки на обрыв (сопротивление 100–500 Ом), стиральная головка — ток 50–100 мА. Но в RN830AW редко — БП в 80% случаев. Шум на выходе? Замена кондёров убивает.
Быстро и точно — так вы сэкономите часы на “может головки”.
Профилактика и дополнительные причины поломок в ремонте VHS видеомагнитофонов
Профилактика в ремонте VHS проста: раз в год меняйте все низковольтные кондёры в БП — стоят копейки. Пыль чистите сжатым воздухом, не ставьте на солнце.
Редкие причины:
- Подгоревшая пайка под STR10006 — перепаивайте.
- Сломанный ремень привода — звук дергается.
- Аудиочип LA6522 сгорел от просадки — редко, но меняйте с радиатором.
В новых видеомагнитофонах LG таких бед меньше, но RN830AW — ветеран. Храните в сухом месте, с силикагелем. После ремонта — тесты на 10 кассетах.
Так аппарат проживёт ещё 10 лет. Стоит ли? Для ностальгии — да.
Источники
- Ремонт видеомагнитофона GoldStar RN830AW — Диагностика и замена конденсатора 47 мкФ в БП STR10006: https://cxem.net/remont/remont2-2.php
- Схемы видеомагнитофонов LG — Неисправность CP12 100 мкФ и стабилизация напряжения: http://schematics.narod.ru/vid/lgvid.htm
- Секреты ремонта VHS LG — Замена CP07 10н/630В для устранения перегрева БП: http://www.telemaster.ru/sekret/sekvhs2.html
- Ремонт блока питания видеомагнитофонов — Проблема C12 100/10В и проверка аудиоцепи: https://cxem.net/remont/remont2-1.php
Заключение
В видеомагнитофоне GoldStar LG RN830AW молчание звука видеомагнитофона при живом видео — почти всегда вина конденсаторов в блоке питания видеомагнитофона STR10006. Замените 47 мкФ/10 В, 100 мкФ/10 В и CP07 — и ремонт видеомагнитофонов завершён за час. Проверьте напряжения, соберитесь аккуратно, и ностальгическая запись зазвучит. Если нагрев остался — копайте глубже, но это редкость.
В видеомагнитофоне GoldStar (LG) RN830AW проблема с записью звука и стиранием аудиодорожки вызвана высохшей ёмкостью 47 µF × 10 V в схеме питания блока питания STR10006. Это приводит к нестабильному питанию (5,3 В вместо 6 В) драйвера аудиосистемы, хотя видео работает нормально. Ремонт видеомагнитофонов сводится к замене конденсатора — после этого БП перестаёт нагреваться, а звук видеомагнитофона восстанавливается. Проверьте напряжение на ICP02 под нагрузкой и другие стабилизаторы.

В видеомагнитофоне LG RN830AW выход блока питания видеомагнитофона даёт завышенное напряжение (~60 В) из-за неисправного конденсатора CP12 100 мкФ/10 В, что сбивает звук видеомагнитофона при нормальной записи изображения. Для ремонта видеомагнитофона LG параллельно подпаяйте ёмкость 100 мкФ/50 В — напряжение стабилизируется до 15 В, аудиодорожка заработает. Это типичная неисправность в ремонте VHS.
В видеомагнитофоне LG RN830AW блок питания (STR10006) перегревается через 5-10 мин, вызывая сбой записи звука на видеомагнитофон. Замените CP07 10n/630 V (фильтр выпрямителя вторички) для ремонта видеомагнитофонов. Это устранит нагрев и восстановит аудиодорожку без влияния на видео.
Неисправность видеомагнитофона GoldStar RN830AW: высохший конденсатор C12 100/10 В в блоке питания видеомагнитофона нарушает работу аудиоцепи, звук видеомагнитофона не записывается/стирается. Ремонт видеомагнитофона своими руками — замена на 100 мкФ 10 В, затем проверка аудиоголовки и пайки. Измерьте напряжение на входе аудиоусилителя для диагностики.